产品特性:
专用管件,降低脉动、提高精度。
专用于高精度分配、小流量灌装。
体积小、易驱动。
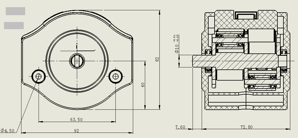
DMD15泵头功能特点:
专用管组件,有效降低脉动、提高精度。最大适配25#。
| 产品型号 | 产品编号 | 滚轮材料 | 滚轮数量 | 外壳材料 | 转速范围(rpm) | 使用软管规格 | 最大参考流量(ml/min) | 参考灌装液量(ml/min) | 参考灌装时间(s) | 最大重复性误差 | 分配头内径(mm) | 重量(kg) |
| DMD15-13-B | 05.01.04B | 不锈钢 | 3 | PESU | ≤600 | 2×13# | 80 | >0.8 | >0.6 | ±2% | ≤0.5 | 0.43 |
| >1.6 | >1.2 | ±1% | ≤0.5 | |||||||||
| DMD15-13-D | 05.01.04D | PPS | 4×13# | 160 | >1.6 | >0.6 | ±2% | ≤1.0 | ||||
| >3.2 | >1.2 | ±1% | ≤1.0 | |||||||||
| 2×14# | 300 | >3 | >0.6 | ±2% | ≤1.0 | |||||||
| >6 | >1.2 | ±1% | ≤1.0 | |||||||||
| 2×19# | 620 | >6.2 | >0.6 | ±2% | ≤1.5 | |||||||
| >12.4 | >1.2 | ±1% | ≤1.5 | |||||||||
| 2×16# | 960 | >9.6 | >0.6 | ±2% | ≤2.0 | |||||||
| >19.2 | >1.2 | ±1% | ≤2.0 | |||||||||
| 2×25# | 2070 | >20.7 | >0.6 | ±2% | ≤3.0 | |||||||
| >41.4 | >1.2 | ±1% | ≤3.0 |










