1. 产品简介
MP系列微型柱塞泵是一款精密分配泵,主要功能是实现液体介质的恒流输送。该微型柱塞泵具有极高的分配精度和分配准确度。
在不影响精度和准确度的前提下,使用寿命可达到500万次以上,是一款高性能、低成本、免维护的精密分配泵。
2. 适用范围
广泛应用千微量液体分配、分析仪器、检测仪器上。
3. 主要特点
1) 高精度和高稳定性
2) 陶瓷机芯,长寿命
3) 多种外壳材质
4) 光电传感器实现电机的精确定位
1、性能参数
精度
≤5‰
初始位置检测
初始位置输出低电平,其它位置输出高电平
满行程准确度
≥99.5%
耐压
≤0.68MPa
满行程重复性精确度
≥99.5%
液路接口
1/4"-28内螺纹接口×2
10%行程重复性精确度
≥99.5%
控制板
可选
额定柱塞行程
12.5mm(2000)步
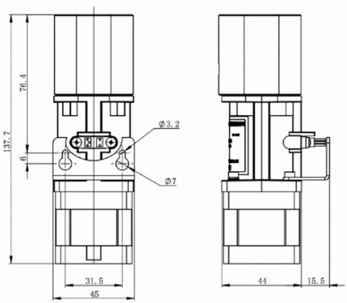
外形尺寸(长×宽×高)
(45×45×138)mm
行程分辨率
0.00625mm(1步)
工作环境相对湿度
20%~80%
柱塞移动速度
≤12.5mm/0.8s(柱塞体积1ml及以下)
工作环境温度
10℃~40℃
≤12.5mm/1s(柱塞体积2.5ml)
使用寿命
≥500万个周期
≤12.5mm/1.2s(柱塞体积5ml)
2、电气参数
项目
参数
接线图
步距角
1.8°

相数
2
相电压
1.4V
相电流
1.2A
3.传感器接线
| 红 | 黑 | 白 | 蓝 | 绿 |
| 阳极 | 阴极 | +5V电源 | 信号输出 | 电源地 |
1、主要结构

2、外形尺寸图
3、管路安装
微型柱塞泵通过泵头的2个1/4''-28内螺纹接口,连接进、出口管路。
1) 具体安装步骤如下:
如图所示,把管接头、锁紧锥,套入进、出口管路的一端,使管口与锁紧锥端面平齐。
先将密封垫放入泵头的1/4''-28螺纹接口内,注意密封垫要与接口底部贴平,否则会影响密封性或损坏密封垫。
如图所示,将步骤1连接好的管路,通过管接头与泵头的螺纹接口连接,并拧紧管接头。





